一、什么是接口 接口涉及到四个实体:(我去饭店点餐) 我是客人 :客户端 厨师:服务器 服务员:接口 菜单:接口文档 接口定义了一套信息规则让两个系统之...
欢迎来到我的UniApp技术专栏!🎉 在这里,我将与大家分享关于UniApp开发的实用技巧、最佳实践和项目经验。 专栏特色: 📱 跨平台开发一站式...
核心板与芯片兼容性 X8390 开发板: 核心基础: 基于联发科 MT8390 (Genio 700) 芯片。 关键优势: 由于 MT8390 与 MT8370 (Genio 510) ...
对于开发和测试同学来说,最重要的是有一款量身定制的接口调试工具,俗话说:磨刀不误砍柴工。有一款好的调试工具,可以让我们的开发工作事半功倍。 一、Api...
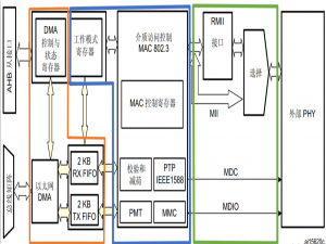
一、MAC简介 stm32自带有10/100Mbit/s的以太网MAC内核,他提供地址以及媒体访问的控制方式。MAC内核特性: 传输速率:支持外部PHY接口实现10/100Mbit/s数据...
概述 OpenCV(Open Source Computer Vision Library)是一个开源的计算机视觉和机器学习软件库,广泛应用于图像处理、目标检测、模式识别等地方,是计算机...
在当今互联网应用开发中,接口安全至关重要。对于Spring Boot项目而言,保障接口不被恶意调用、数据不被篡改、请求不被重放,是后端开发者必须攻克的安全难...
以下是对提供的 C# 代码中涉及的核心知识点的梳理和总结,涵盖索引器、接口、泛型三大核心内容,以及相关实践要点: 一、索引器(Indexer) 索引器是一种允...
文章目录 一、前言 概述 什么是 Swagger/OpenAPI? 两种方案对比 二、方案一:使用 drf-yasg(支持 Swagger 2.0) 工具介绍 安装步骤 查看效果 ...