12.编写一个程序,读取输入,直至读到 BOF,报告读入的单词数、大写字母数、小写字母数、标点符号数和数字字符数。使用ctype.h头文件中的函数。 #include i...
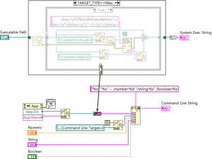
该功能一方面借助 Formatinto String 构建命令行字符串,实现LabVIEW 环境下命令行调用 VI 并传参;另一方面,针对 Mac 平台,通过解析应用 Info.plist 文件...
一、基本的命令及其作用 1.file命令查看文件的基本属性 2.cat命令可以查看文件内容,将文件内容重定向到终端显示 3.less命令可以显示长文件,一次显示一个...
文章目录 背景 如何用命令行连接数据库 报错 原因 解决方案 psql常见命令 🔍 **核心数据库操作命令** 1. **查看所有数据库** 2. **切换数据库** 3...
一、Vue工程化 1、环境准备 create-vue是Vue官方提供的最新的脚手架工具,用于快速生成一个工程化的Vue项目。 提供了以下功能: 统一的目录结构 本地调试 ...
本文整理自Warp CEO 扎克·洛伊德 过去,DevOps 工程师把大量时间花在「拧螺丝」:写脚本、配环境、查日志、排故障。 现在,只需一句自然语言提示,代理就能...
kdb+x是Kx Systems公司新发布的产品,它对SQL的支持分为两方面,一是通过q命令行工具执行,二是通过在Python中执行。 一、获取并安装kdb+x 登录https://kdb-...
文章目录 ollama 基本信息 ollama 运行模型 ollama 模型管理 🔧 **方法一:使用命令行删除单个模型** ⚙️ **方法二:批量删除所有模型...
🍅 点击文末小卡片,免费获取软件测试全套资料,资料在手,涨薪更快 一、是什么Newman Newman就是纽曼手机这个经典牌子,哈哈,开玩笑啦。。。别...
本文介绍 Silly Tavern 的下载与安装方法,覆盖 Windows 和 Mac/Linux 系统,适合新手按步骤操作。 一、什么是 Silly Tavern? Silly Tavern 是一个开源的...