一、安全原则说明 原则 补充说明 最小暴露原则 静态资源按需加载(代码分割),API接口按角色授权最小数据集,禁用无关调试接口 零信任设计 后端对...
文章目录 卓越性能 强化安全 高效能效 图形处理优势 丰富集成特性 模拟模块 实时监控 保障数据完整性 提升安全性与可靠性 测量原理 采样率相关 ...
HarmonyNext实战:基于ArkTS的高性能音视频流媒体应用开发 引言 随着移动互联网的快速发展,音视频流媒体应用已成为人们日常生活中不可或缺的一部分。Harmon...
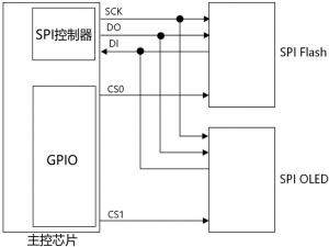
一.SPI协议介绍 1.硬件连接介绍 引脚含义: DO(MOSI):Master Output, Slave Input,SPI主控用来发出数据,SPI从设备用来接收数据。 ...
MFS架构图 元数据服务器(Master):在整个体系中负责管理文件系统,维护元数据。 元数据日志服务器(MetaLogger):备份Master服务器的变化日志文件,...
目录 一、飞行日志下载 1.1 通过地面站下载 1.1.1 QGroundControl(QGC)地面站 1.1.2 Mission Planner 地面站 1.2 通过内存卡读卡器下载 1.3 通过数传模块...
2023 ICLR 1 INTRO 预训练模型常被用作机器学习系统的主干网络 在实际应用中,我们经常希望在预训练之后对模型进行编辑,以提升下游任务的性能,减轻偏差...
简介 本教程是我们使用亚马逊云平台创建域并进行遥感地理科学数据分析。写此教程的目的是不同于GEE、PIE-Engine和GVE云平台,这里的并没有提供专门的一个代...
1. 使用 docker命令部署 部署命令: docker run --name dbname-postgres \\ -e POSTGRES_USER=postgres \\ -e POSTGRES_PASSWORD=postgrespwd \\ -e POSTGRE...
✅ 方法一:使用 mysqldump 工具(推荐) 这种方式可以完整复制数据库结构和数据,非常可靠。 1. 从生产库导出数据和表结构 在终端执行: mysqldump -h 生产...