> 💡 原创经验总结,禁止AI洗稿!转载需授权 > 声明:本文所有观点均基于在新能源车联网、智慧电网、高端制造多个领域的真实项目落地经验总结...
目录 一、前言 二、时序分析 2.1 时序分析 2.2 时序路径类型 2.3 时序分析类型 三、时序约束 四、时序报告 4.1 时序报告概览 4.2 Summary 4.3 Source Clock...
引言 随着物联网(IoT)、工业互联网和智能制造等地方的快速发展,时序数据(Time Series Data)已经成为数据分析和智能决策的重要基础。如何选择一款合适的...
声明:文章为本人真实测评博客,非广告,并没有推广该平台 ,为用户体验文章 一、引言 在工业4.0与物联网(IoT)的驱动下,全球时序数据规模正以每年超过40%...
时序数据库 Apache IoTDB 实战:基于 Kubernetes 的部署运维全指南 前言 随着物联网设备爆发式增长,海量时序数据的高效存储与分析成为关键挑战,Apache I...
文章目录 前言 一、优秀时序数据库的关键特性 (一)高写入性能 (二)高效压缩算法 (三)灵活查询功能 (四)强大的扩展性 (五)丰富的生态系统 二...
MCU中的SCL(Serial Clock Line,串行时钟线)是什么? 在数字通信协议(如 I2C、SPI 等)中,SCL(Serial Clock Line,串行时钟线)是用于同步数据传输的时...
摘要:本文系统梳理 IoTDB 的缘起、优势、核心功能与生态,指导如何根据业务需求(写入频率、存储规模、实时性等)做选型;并给出 Windows 单机安装、建库...
数字系统设计方法概述 数字系统设计涉及从抽象需求到具体实现的完整流程,涵盖硬件描述、仿真验证、综合优化等环节。以下是核心设计方法及技术要点: 自顶...
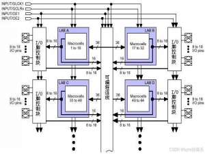
在数字电路设计领域,CPLD(复杂可编程逻辑器件)和 FPGA(现场可编程门阵列)堪称 “变形金刚” 般的存在。它们既能像 ASIC(专用集成电路)一样实现硬件加...