在之前有很多学生问我了几个问题:老师,adb怎么敲上去 显示 adb不是内部命令?老师我下载adb\'工具后怎么还是不能用呀 在这里我给就学生提的问题做下解答,...
前言: Python 语言的设计变得越来越简单,它有很多可以使用的库,所以尤其在人工智能时代,Python语言被广泛应用。但是Python语言和windows系统的兼容性稍...
ubuntu20.04共享安装文件夹 4.5共享安装文件夹将Windows存放安装文件的文件夹共享给虚拟机,如下图操作: 如果是在ubuntu20.04中,还需要以下的操作:sudo m...
一、从官网下载库函数资料和MAK芯片包,如下图 MDK芯片安装包 二、安装下载好的芯片包 解压芯片包,下图所示,找到跟你板子芯片型号一致的型号,双击安装...
本地部署dify1.7.0流程-windows docker 一、安装docker与wsl wsl下载:https://github.com/Microsoft/WSL/releases windows下docker下载: docker安装好后...
一、工具准备 openSSL:需要针对https请求头 生成对应的 自签名证书。 Nginx:服务器搭建工具 nodeJS: Express API运行环境 PM2: node进程管理器。用于替代n...
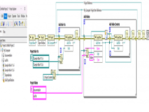
用 VI Server 自动创建并填充 LabVIEW 工程,借助 Project.New 创建工程,Open Window 展示工程浏览器,经 My Computer 获取工程项引用,通过 Add File 等添...
任务说明 我现在需要进行模型预测效果的评估,我选择map进行评估。我的输入包含两个文件夹,一个是标准答案,里面有xml。另外一个是你的答案,里面有你预测...
可以通过以下三种方法来连接报警归档: 1. 直接把备份的报警归档数据库文件,复制到项目文件夹的CommonArchiving文件夹中,注意是把文件复制到CommonArchivi...