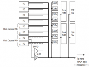
第一章 FPGA学习入门之时钟资源介绍 文章目录 前言 一、CC 二、BUFR、BUFIO、BUFMR 三、CMT 四、BUFH 五、BUFG 前言 本文主要是为了学习FPGA的CC、BUFR...
本文聚焦 截断(包裹)相位 ϕwrapped∈[−π,π)\\phi_{\\text{wrapped}} \\in [-\\pi, \\pi)ϕwrapped∈[−π,π) 的求解公式与误差特性,比对常用的 3 步、4 步 以...