在工业自动化、智能家居、机器人等地方,单片机控制电机转速是实现精准运动控制的核心技术。通过结合硬件电路设计与软件算法优化,单片机可根据不同应用场景...
目录 核心摘要 第一阶段:理论筑基(1 周)—— 搞懂 \"单片机是什么\" 1. 单片机核心概念 2. 硬件基础三要素 3. 必知术语 第二阶段:工具与编程入门(2 周)—...
摘 要 数字温度计系统是一种快速直观的检测环境温度的设备,用于快速生成生活中对周围环境温度检测的设备,它也是快速提高各个测温效率的必要设备之一。为了...
一.系统概述 输液控制系统具备高精度监测与控制多种生物参数和环境数据的能力,适合用于液体医疗设备及生物实验的数据采集和管理。其主要功能和硬件模块如...
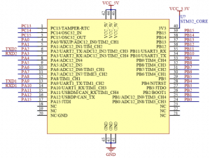
(一)系统功能设计STM32单片机汽车自动智能雨刷系统雨滴检测70本系统由STM32F103C8T6单片机核心板、二相四线步进电机滑台模块、按键、LED控制、液滴检测及...