本文还有配套的精品资源,点击获取 简介:本文详细介绍了利用555定时器和单片机建立一个简易电容测量系统的原理与步骤。通过将555定时器配置为RC振荡器...
摘 要 随着科学技术的进步和人民生活水平的提高水平,恒温箱的发展要求提高。生产方面需要结构简单,生活方面要满足要求和操作简单。现在,在实验室的环境温...
1、单片机概述 1.1. 单片机的定义与分类 定义:单片机(Microcontroller Unit,简称MCU)是一种将微处理器、存储器(包括程序存储器和数据存储器)、输入/...
说明 有时我们只有已经编译好了的hex文件,没有源文件。我们需要将hex文件烧录到单片机里面去(我使用的是华大单片机),直接调用Keilv5平台去烧录是不行的。...
本文还有配套的精品资源,点击获取 简介:温度自动控制系统广泛应用于多个领域,其设计基于单片机,一个集成了多种计算机系统功能的微型设备。本项目深...
本文还有配套的精品资源,点击获取 简介:GPRS测试程序针对普通单片机设计,利用其提供分组交换数据服务,使移动设备通过蜂窝网络进行数据传输。程序设...
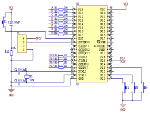
本文还有配套的精品资源,点击获取 简介:单片机是一种微型计算机,具备微处理器、存储器和输入输出接口功能。在\"单片机实例188-继电器控制.rar\"中,...
微信小程序——stm32+esp8266+onenet实现查看温湿度,控制单片机 (最新已验证)stm32 + 新版 onenet +dht11+esp8266/01s + mqtt物联网上报温湿度和控制单片...
目录 一、介绍 二、传感器原理 1.原理图 2.引脚描述 3.工作原理介绍 三、程序设计 main.c文件 mq2.h文件 mq2.c文件 四、实验效果 五、资料获取 项目分享 ...
目录 一、介绍 二、传感器原理 1.原理图 2.引脚描述 3.工作原理介绍 三、程序设计 main.c文件 body_hw.h文件 body_hw.c文件 四、实验效果 五、资料获取 项...