前言:在算力即生产力的时代,数据中心GPU已成为驱动人工智能、科学计算、图形渲染、大数据分析等核心业务的关键引擎。为了帮助广大科研人员、工程师、技术...
对于信创(信息技术应用创新)领域的开发者来说,国产芯片(鲲鹏、飞腾)的适配是构建自主可控技术体系的核心环节。鸿蒙5(HarmonyOS 5)作为国产操作系...
一、芯片包共享(F0-F7):链接:https://pan.baidu.com/s/1eQ3JncmIuMKv6jtQNP6PvA?pwd=ikun 提取码:ikun 复制这段内容后打开百度网盘手机App,操作更方便哦...
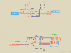
STM32给FPGA的外挂FLASH进行升级 一、电路方案设计 二、软件写FLASH 三、解决第一次烧录后FPGA无法启动的问题 前言: 一个复杂的嵌入式中,如果...
STM32 微控制器内部具有一个 96 位全球唯一的 CPU ID,不可更改。开发者可利用此 ID 实现芯片绑定和程序加密,增强软件安全性。ID 验证法就是利用这个 UID...
前言 在当今数字化时代,人工智能技术的发展日新月异,多模态模型作为 AI 领域的重要发展方向,正逐渐改变着人们与计算机交互的方式以及众多行业的运作模式...
目录 引言 一、从“芯片大脑”看本质:架构设计的哲学差异 1. MCU:单一任务的执行专家 2. SoC:系统级集成的超级平台 二、实战对比:六大维度拆解差异...
在 64 KB 与 128 KB Flash 两大容量段,LQFP-64 封装的 STM32F103R8Tx 目前有四颗主流国产 Pin-to-Pin 替代芯片: • FT32F113R8AT7(64 KB,硬件兼容 STM32F...
目录 一、HX711压力传感器芯片介绍 1.1 HX711芯片介绍 1.2 芯片管脚与描述 1.3 芯片特点 二、测量原理 2.1 芯片原理图 2.2 压力传感器输出电压值 2.3 芯片原...
入门级STM32F103C8T6无人机(原理图其一) 一、STM32F103C8T6 最小系统电路中各接口(引脚)的解释及作用 一)电源相关引脚 引脚名称 说明 3.3V 为芯片...