本文介绍了两种免费方法 目录 一、用网址一键下载 1.确定STM32型号 2.查找对应的芯片包名称 3.在浏览器中一键下载 二、在官网查询再下载 1.登录Keil...
文章目录 导言 Wafer Die Chip Cell 扩展 CMOS工艺 其它工艺 导言 在接触一些芯片数据手册、用户手册之类的资料时,经常会看到Die这个概念,比如Flash...
在 Mac 电脑的使用过程中,你是否遇到过这些困扰?为了运行一款经典设计软件,新系统却无法兼容;或是想给老旧 Mac 设备升级,却找不到适配的系统版本。而 A...
FPGA(现场可编程门阵列)是什么? FPGA(现场可编程门阵列,Field-Programmable Gate Array)是一种可通过编程配置硬件电路的半导体芯片,其核心特点是硬件逻...
摘要: 本文深入剖析了芯片软错误概率问题,结合 AEC-Q100 与 IEC61508 标准,以 130 纳米工艺 1Mbit RAM 芯片为例阐述其软错误概率,探讨汽车芯片安全等级...
RKDDR测试工具:专业检测,提升维修效率 【下载地址】RKDDR测试工具 RK DDR测试工具是一款高效的专业检测工具,专为芯片维修设计。它能够快速识别问题芯片...
正所谓授之以鱼不如授之以渔。本文将细讲从官网下载keil5MDK来保证keil5为最新版本的实时性 (注意新老版本可能出现版本兼容问题,若不放心,我们一起下载5....
在人工智能与异构计算时代,处理器芯片已形成\"通用+领域专用\"的生态矩阵。本文通过对比CPU、GPU、NPU、DPU、TPU、IPU、LPU、MCU、MPU九类芯片,揭示其技术...
FPGA产品 文章目录 FPGA产品 1. Xilinx公司FPGA产品 2. Altera公司FPGA产品 3. FPGA产品的工业等级简介 4. FPGA产品的速度等级简介 总结 1. Xilinx...
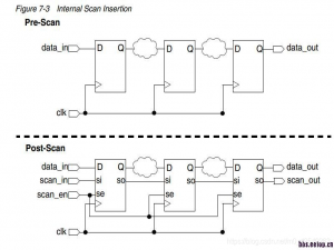
文章目录 Overview 1. SDFFs(Scan D Flip-Flops) 1.1 基本概念 1.2 工作原理 1.3 优势 2. EDT(Embedded Deterministic Test) 2.1 基本概念 2.2 ...