2024年09月12日 · Go生态洞察:在 Go 中构建 LLM 驱动的应用 😺🐯 📄 摘要 大家好,我是猫头虎。 在本篇文章中,我将以专业且轻松的...
API 开发和测试过程中,接口文档的重要性无需赘言。Postman 作为一款被广泛采用的 API 调试与测试工具,实际上也能帮助开发者导出接口相关的文档。下面将详...
前言 uni.chooseLocation打开地图选择位置,看官方文档介绍的比较简单,但是需要注意的细节不少,如果没有注意可能就无法使用该API或者报错,下面就把详细的...
1. 引言 记录deepseek实践、巩固要点 2. 准备工作 DeepSeek API密钥的申请与配置 uniapp开发环境的搭建(HBuilderX、Node.js等) 项目初始化与基础配置 ...
1 前言 笔者在使用Node开发HTTP接口的过程中,发现当接口数量越来越多,且接口之间互相依赖时,接口测试流程就会变得十分繁琐,且容易出错。那如何才能高效...
采用JFM9RFVU3P,实现了10 路 ADC 和8 路DAC 端口,并支持外部同源参考时钟,板载两组DDR4 64bit 2400M,以及一个千兆网口和2 个100G QSFP28+接口。...
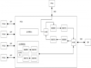
可参考gongzhonghao:小苏的FPGA 目录 一、SRIO概述 1.1 、SRIO介绍 1.1.1、SRIO核框架 1.1.2 、逻辑层接口 1.1.3 、通信收发接口 1.2 常用的包协议 1.2.1、...
《云计算学习日记Day2》—— 从零开始的云计算之旅 今天是系统学习云计算的第二天,记录了关于我的云计算学习,后续将每日更新我的笔记。欢迎大家一起来学习,...
在软件开发和系统集成领域,接口是不同系统之间的\"翻译官\",它们决定了系统间如何\"对话\"。今天我们就来聊聊三种最常用的接口类型:HTTP接口、WebSocket...
【背景介绍】 项目中涉及到需要对导入的excel文件进行模板的下载,涉及到了下载的相关实现,那么我们话不多说,直接开讲: 【项目涉及到的技术栈】 Vue3+Arc...